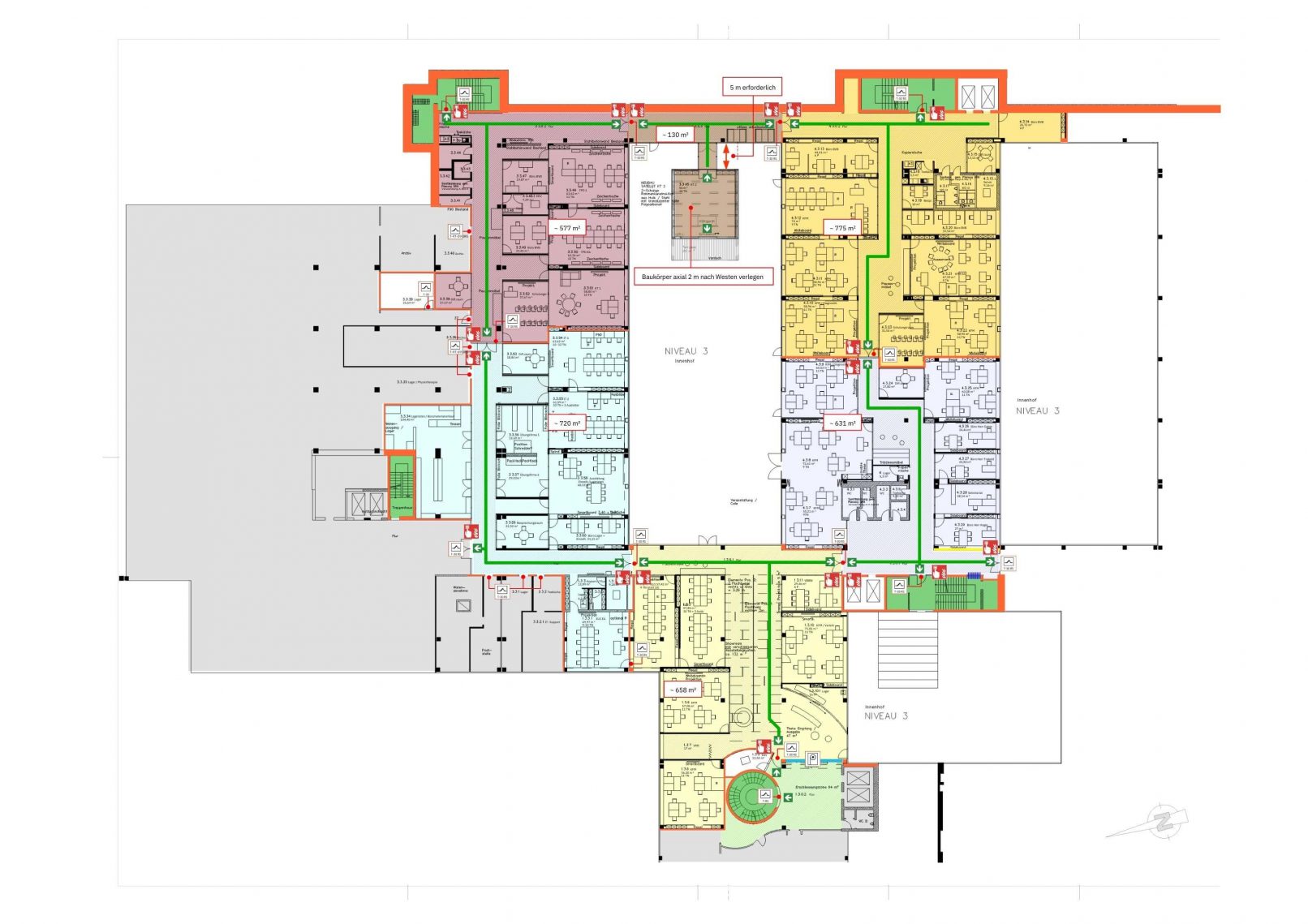
Das SRH Berufsbildungswerk in Neckargemünd hat PPM mit den Projektsteuerungsleistungen für den Umbau einer Etage mit 3.500 m² Nutzfläche beauftragt. Der Nutzer der Berufsvorbereitenden Bildungsmaßnahme benötigte ein modernes Ausbildungs- und Schulungszentrum mit neuen Büroräumen.
Der Umbau der Etage erfolgte im laufenden Betrieb des gesamten SRH Schulungszentrums.





